Features:
Low frequency
Low consumption
With circuit inside
Super-thin height

| Characteristic | Min | Typical | Max | Notes |
| Type | Piezo | |||
| Excitation | Internal Driven | Tone: N/A | ||
| Sound Pressure Level dB at 30cm | 70 | Measured 70 dB at 30cm | ||
| Frequency kHz | 3.1 | Rated frequency ± 0.5 kHz | ||
| Voltage V | 3 | 12 | 20 | DC voltage |
| Current mA | 8 | |||
| Temperature ºC | -20 | 70 | ||
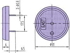
| Width mm | 31 | Case:PC/Black | ||
| Height mm | 6 | |||
| Weight g | 3 | |||
| Termination | pin | Pin separation: 17.50mm |
Characteristic Response:

Dimension Drawing:

