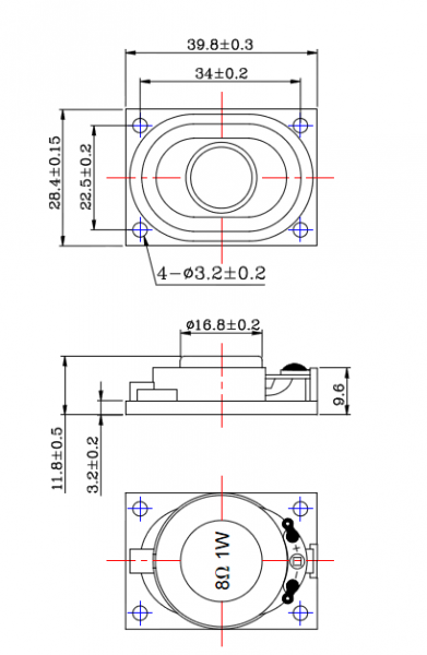
SWO-2840L11.8-8N1R

Characteristic Minimum Rated Maximum Notes
Power W 1 2
Frequency kHz 4.2 Rated frequency ± 20%HZ
Available Input Impedance Ω 8 Rated Impedance ± 15%
Weight g 12.3
Characteristic Response: 

Dimension Drawing: