MWE-9445- 643-OP
| Height | 4.5 mm |
|---|---|
| Width | 9.4 mm |
| SPL | 110 dB |
| Rated Voltage | 3 |
| Directivity | Omnidirectional |
| Sensitivity | -44 dB |
We are sorry, the datasheet is not available here, please send us a message so that we can help.
Electrical Specifications
| Characteristic | Minimum | Typical | Maximum | Notes |
|---|---|---|---|---|
| Directivity | Omnidirectional | |||
| Sensitivity dB | -44 | ±3dB (0dB=1V/1Pa; 1KHz) test conditions: Temperature:20ºC; rel humidity: between 60 & 70%; Pressure: between 86 & 106kPa | ||
| S/N Ratio dB | 58 | A-Curve at 1kHz; 1Pa | ||
| Sound Pressure Level | 110 | |||
| Voltage V | 1 | 3 | 10 | |
| Current mA | 0.5 | |||
| Impedance Ω | 2200 | |||
| Temperature ºC | 5 | 35 | Temperature range of test | |
| Relative Humidity % | 45 | 85 | ||
| Width mm | 9.4 | |||
| Height mm | 4.5 |
Characteristic Response
Dimension Drawing
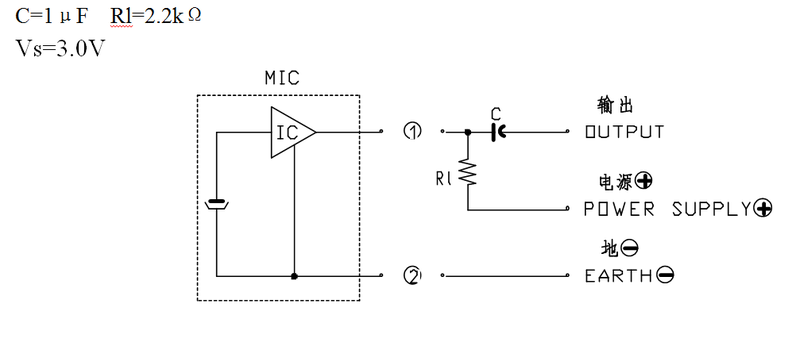
Schematic Diagram