MWF-9748-643-OA
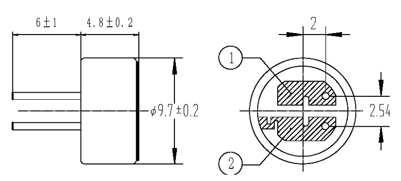
| Height | 4.8 mm |
|---|---|
| Width | 9.7 mm |
| SPL | 120 dB |
| Rated Voltage | 6 |
| Type | ECM-Foil |
| Directivity | Omnidirectional |
| Sensitivity | -44 dB |
We are sorry, the datasheet is not available here, please send us a message so that we can help.
Electrical Specifications
| Characteristic | Minimum | Typical | Maximum | Notes |
|---|---|---|---|---|
| Directivity | Omnidirectional | |||
| Type | ECM-Foil | |||
| Sensitivity dB | -44 | ±3dB (0dB=1V/1Pa; 1KHz) test conditions: Temperature:20ºC; rel humidity: between 60 & 70%; Pressure: between 86 & 106kPa | ||
| S/N Ratio dB | 60 | A-Curve at 1kHz; 1Pa | ||
| Sound Pressure Level | 120 | |||
| Voltage V | 1 | 6 | 10 | |
| Current mA | 0.5 | |||
| Impedance Ω | 1000 | |||
| Temperature ºC | 5 | 35 | Tested in this temperature range. | |
| Relative Humidity % | 45 | 85 | ||
| Width mm | 9.7 | |||
| Height mm | 4.8 | |||
| Weight g | 1 |
Characteristic Response
Dimension Drawing
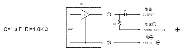
Schematic Diagram